Only For Flow Rate Output.
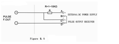
TF1100-EP also can provide a frequency output transmitter function. The find accessory OCT output connect cable, white is +, black is GND, refer to below wiring diagram Figure 5.1, A, B is DC power supply based on pulse receiver voltage, 5-24V is allowable. C,D is pulse input for receiver. Select a resistor that is a maximum of 10% of the input impedance of the receiving device, but do not exceed 10k ohms

High or low frequency output displayed indicates the high or low flow rate reading. The user can reset the frequency output as well as flow rate per his requirements For instance: if a pipe flow range is 0~2000m3/h, the relative frequency output required is 10~1000Hz, and the configuration is as follows:
In Window M66 (low limit frequency output flow value), input 0;
In Window M67 (high limit frequency output flow value), input 2000;
In Window M65 (Select frequency range), Press ENTER, input Low FO frequency 10, Press ∨ , input 1000.
There is no output circuit specially assigned to frequency output. It need to be powered through OCT, and select item FO in Window M78 (item “FO”—Frequency output.).
Post time: Oct-14-2022